**这是本文档旧的修订版!**

=====智能接近系统设计=====

实验任务

  • 任务:智能手机通话,手机靠近耳朵后关闭屏显,基于 STEP-MAX10M08核心板 和 STEP BaseBoard V3.0底板 完成智能接近系统设计并观察调试结果
  • 要求:驱动底板上的接近式传感器APDS-9901获得接近数据,控制核心板上LED按能量条方式点亮
  • 解析:通过FPGA编程驱动接近式传感器APDS-9901,获取接近距离信息,然后根据距离信息编码控制8个LED灯按能量条方式点亮。

实验目的

本节实验主要学习I2C总线工作原理、协议及相关知识,掌握FPGA驱动I2C设备的原理及方法,了解输入输出型端口的模型及控制实现,最终实现智能接近系统的总体设计。

  • 熟悉I2C总线工作原理及通信协议
  • 完成I2C接口接近式传感器的FPGA驱动
  • 完成智能接近系统设计实现

设计框图

根据前面的实验解析我们可以得知,该设计可以拆分成两个功能模块实现,

  • APDS9901Driver:接近式传感器APDS-9901芯片I2C总线通信驱动模块。
  • Decoder:将距离信息转换成能量条数据。

Top-Down层次设计 模块结构设计

实验原理

I2C总线介绍

I2C总线是由Philips公司开发的一种简单、双向二线制同步串行总线。它只需要两根线即可在连接于总线上的器件之间传送信息。

I2C总线连接

主器件用于启动总线传送数据,并产生时钟以开放传送的器件,此时任何被寻址的器件均被认为是从器件.在总线上主和从、发和收的关系不是恒定的,而取决于此时数据传送方向。如果主机要发送数据给从器件,则主机首先寻址从器件,然后主动发送数据至从器件,最后由主机终止数据传送;如果主机要接收从器件的数据,首先由主器件寻址从器件.然后主机接收从器件发送的数据,最后由主机终止接收过程。在这种情况下.主机负责产生定时时钟和终止数据传送。

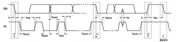
I2C通信时序

字节格式

发送到SDA 线上的每个字节必须为8 位,每次传输可以发送的字节数量不受限制。每个字节后必须跟一个响应位。首先传输的是数据的最高位(MSB),如果从机要完成一些其他功能后(例如一个内部中断服务程序)才能接收或发送下一个完整的数据字节,可以使时钟线SCL 保持低电平,迫使主机进入等待状态,当从机准备好接收下一个数据字节并释放时钟线SCL 后数据传输继续。

I2C字节格式

启动和停止

在时钟线SCL保持高电平期间,数据线SDA上的电平被拉低(即负跳变),定义为I2C总线总线的启动信号,它标志着一次数据传输的开始。启动信号是一种电平跳变时序信号,而不是一个电平信号。启动信号是由主控器主动建立的,在建立该信号之前I2C总线必须处于空闲状态。

在时钟线SCL保持高电平期间,数据线SDA被释放,使得SDA返回高电平(即正跳变),称为I2C总线的停止信号,它标志着一次数据传输的终止。停止信号也是一种电平跳变时序信号,而不是一个电平信号,停止信号也是由主控器主动建立的,建立该信号之后,I2C总线将返回空闲状态。

启动和停止格式

应答响应

数据传输必须带响应,相关的响应时钟脉冲由主机产生。在响应的时钟脉冲期间,发送器释放SDA 线(上拉电阻拉高),接收器必须将SDA 线拉低,使它在这个时钟脉冲的高电平期间保持稳定的低电平,这种情况下是应答,如果在这个时钟脉冲的高电平期间SDA线没有被拉低则表示没有应答。通常被寻址的接收器在接收到的每个字节后,必须产生一个应答。当从机接收器不应答时,主机产生一个停止或重复起始条件。

应答响应格式

通信速率

常见的I²C总线依传输速率的不同而有不同的模式:标准模式(100 Kbit/s)、低速模式(10 Kbit/s),但时钟频率可被允许下降至零,这代表可以暂停通信。而新一代的I2C总线可以和更多的节点(支持10比特长度的地址空间)以更快的速率通信:快速模式(400 Kbit/s)、高速模式(3.4 Mbit/s)。

APDS-9901模块连接

STEP BaseBoard V3.0底板上的接近光传感器APDS-9901模块电路图如下(上拉电阻未显示):

APDS-9901模块电路

上图为接近光传感器APDS-9901模块电路,与FPGA硬件接口有I2C总线(SCL、SDA)和中断信号INT,APDS-9901是博通公司的集成环境光ALS、红外光IR和接近距离传感器,具有体积小、低功耗等优点,被大量应用于手机、笔记本、相机、液晶显示器等电子产品上,环境光ALS可以根据外部环境调节设备屏幕显示亮度,接近距离传感器可以根据应用场景实现产品对应应用,例如接听电话时控制手机关闭显示等,接口采用I2C总线能够支持400KHz的I2C快速模式。

APDS-9901内部框图

双向端口设计

可综合Verilog模块设计中必须有端口存在,端口有输入input,输出output,双向inout,对于输入和输出型端口我们很好理解,我们来了解一下双向端口信号的处理。

在芯片中为了管脚复用,很多管脚都是双向的,既可以输入也可以输出。在Verilog中即为inout型端口。Inout端口的实现是使用三态门,三态门的第三个状态是高阻态Z。在实际电路中高阻态意味着响应的管脚悬空、断开。

FPGA引脚输入输出模型

当inout用作输出时,就像平常一样。当inout用作输入时,需要设为高阻态,这样其电平就可以由外部输入信号决定了(这是高阻态的特性)。

双向端口应用案例:

module bid
(
input           out_en,
input           a,
inout           b,
output          c
); 
 
assign  b = out_en? a : 1'bz;
assign  c = b;
 
endmodule

APDS-9901驱动设计

通过前面的了解,我们对于整个I2C总线的驱动原理有了一定的了解,接下来我们根据APDS-9901的芯片手册了解其驱动方法及参数要点。

APDS-9901时序

APDS-9901时序参数

通过APDS-9901时序参数了解,APDS-9901支持I2C通信400KHz快速模式同时兼容100KHz的标准模式,还有两种模式下时序中的各种时间参数,本例中我们就采用标准模式完成驱动设计。

首先我们分频得到400KHz的时钟,整个设计都基于该时钟完成,程序实现如下:

//使用计数器分频产生400KHz时钟信号clk_400khz
reg                 clk_400khz;
reg     [9:0]       cnt_400khz;
always@(posedge clk or negedge rst_n) begin
    if(!rst_n) begin
        cnt_400khz <= 10'd0; clk_400khz <= 1'b0;
    end else if(cnt_400khz >= CNT_NUM-1) begin
        cnt_400khz <= 10'd0; clk_400khz <= ~clk_400khz;
    end else begin
        cnt_400khz <= cnt_400khz + 1'b1;
    end
end

I2C时序可以分解成基本单元(启动、停止、发送、接收、发应答、读应答),整个I2C通信都是由这些单元按照不同的顺序组合,我们设计一个状态机,将这些基本单元做成状态,控制状态机的跳转就能实现I2C通信时序。主机每次发送数据都要接收判断从机的响应,每次接收数据也要向从机发送响应,所以发送单元和读应答单元可以合并,接收单元和写应答单元可以合并。

启动时序状态设计程序实现如下:

START:begin //I2C通信时序中的起始START
        if(cnt_start >= 3'd5) cnt_start <= 1'b0;    //对START中的子状态执行控制cnt_start
        else cnt_start <= cnt_start + 1'b1;
        case(cnt_start)
            3'd0:   begin sda <= 1'b1; scl <= 1'b1; end //将SCL和SDA拉高,保持4.7us以上
            3'd1:   begin sda <= 1'b1; scl <= 1'b1; end //每个周期2.5us,需要两个周期
            3'd2:   begin sda <= 1'b0; end  //SDA拉低到SCL拉低,保持4.0us以上
            3'd3:   begin sda <= 1'b0; end  //clk_400khz每个周期2.5us,需要两个周期
            3'd4:   begin scl <= 1'b0; end  //SCL拉低,保持4.7us以上
            3'd5:   begin scl <= 1'b0; state <= state_back; end //每个周期2.5us,两个周期
            default: state <= IDLE; //如果程序失控,进入IDLE自复位状态
        endcase
    end

发送单元和读应答单元合并,时序状态设计程序实现如下:

WRITE:begin //I2C通信时序中的写操作WRITE和相应判断操作ACK
        if(cnt <= 3'd6) begin   //共需要发送8bit的数据,这里控制循环的次数
            if(cnt_write >= 3'd3) begin cnt_write <= 1'b0; cnt <= cnt + 1'b1; end
            else begin cnt_write <= cnt_write + 1'b1; cnt <= cnt; end
        end else begin
            if(cnt_write >= 3'd7) begin cnt_write <= 1'b0; cnt <= 1'b0; end //复位变量
            else begin cnt_write <= cnt_write + 1'b1; cnt <= cnt; end
        end
        case(cnt_write)
            //按照I2C的时序传输数据
            3'd0:   begin scl <= 1'b0; sda <= data_wr[7-cnt]; end   //SCL拉低,SDA输出
            3'd1:   begin scl <= 1'b1; end  //SCL拉高,保持4.0us以上
            3'd2:   begin scl <= 1'b1; end  //clk_400khz每个周期2.5us,需要两个周期
            3'd3:   begin scl <= 1'b0; end  //SCL拉低,准备发送下1bit的数据
            //获取从设备的响应信号并判断
            3'd4:   begin sda <= 1'bz; end  //释放SDA线,准备接收从设备的响应信号
            3'd5:   begin scl <= 1'b1; end  //SCL拉高,保持4.0us以上
            3'd6:   begin ack_flag <= i2c_sda; end  //获取从设备的响应信号
            3'd7:   begin scl <= 1'b0; if(ack_flag)state <= state; else state <= state_back; end //SCL拉低,如果不应答循环写
            default: state <= IDLE; //如果程序失控,进入IDLE自复位状态
        endcase
    end

接收单元和写应答单元合并,时序状态设计程序实现如下:

READ:begin  //I2C通信时序中的读操作READ和返回ACK的操作
        if(cnt <= 3'd6) begin   //共需要接收8bit的数据,这里控制循环的次数
            if(cnt_read >= 3'd3) begin cnt_read <= 1'b0; cnt <= cnt + 1'b1; end
            else begin cnt_read <= cnt_read + 1'b1; cnt <= cnt; end
        end else begin
            if(cnt_read >= 3'd7) begin cnt_read <= 1'b0; cnt <= 1'b0; end   //复位变量值
            else begin cnt_read <= cnt_read + 1'b1; cnt <= cnt; end
        end
        case(cnt_read)
            //按照I2C的时序接收数据
            3'd0:   begin scl <= 1'b0; sda <= 1'bz; end //SCL拉低,释放SDA线
            3'd1:   begin scl <= 1'b1; end  //SCL拉高,保持4.0us以上
            3'd2:   begin data_r[7-cnt] <= i2c_sda; end //读取从设备返回的数据
            3'd3:   begin scl <= 1'b0; end  //SCL拉低,准备接收下1bit的数据
            //向从设备发送响应信号
            3'd4:   begin sda <= ack; end   //发送响应信号,将前面接收的数据锁存
            3'd5:   begin scl <= 1'b1; end  //SCL拉高,保持4.0us以上
            3'd6:   begin scl <= 1'b1; end  //SCL拉高,保持4.0us以上
            3'd7:   begin scl <= 1'b0; state <= state_back; end //SCL拉低 
            default: state <= IDLE; //如果程序失控,进入IDLE自复位状态
        endcase
    end

停止时序状态设计程序实现如下:

STOP:begin  //I2C通信时序中的结束STOP
        if(cnt_stop >= 3'd5) cnt_stop <= 1'b0;  //对STOP中的子状态执行控制cnt_stop
        else cnt_stop <= cnt_stop + 1'b1;
        case(cnt_stop)
            3'd0:   begin sda <= 1'b0; end  //SDA拉低,准备STOP
            3'd1:   begin sda <= 1'b0; end  //SDA拉低,准备STOP
            3'd2:   begin scl <= 1'b1; end  //SCL提前SDA拉高4.0us
            3'd3:   begin scl <= 1'b1; end  //SCL提前SDA拉高4.0us
            3'd4:   begin sda <= 1'b1; end  //SDA拉高
            3'd5:   begin sda <= 1'b1; state <= state_back; end //完成STOP操作
            default: state <= IDLE; //如果程序失控,进入IDLE自复位状态
        endcase
    end

基本单元都有了,接下来我们需要了解APDS-9901驱动的流程,手册上看到APDS-9901芯片有很多寄存器,有的配置工作模式,有的配置功能使能,有的返回结果数据,这个需要大家自己查看芯片手册,这里不作讲解。

APDS-9901寄存器

手册给用户提供了基本功能的C实例代码,流程如下:

WriteRegData (0, 0); //Disable and Powerdown 
WriteRegData (1, 0xff); // 2.7 ms – minimum ALS integration time
WriteRegData (2, 0xff); // 2.7 ms – minimum Prox integration time
WriteRegData (3, 0xff); // 2.7 ms – minimum Wait time
WriteRegData (0xe, 1);  // Minimum prox pulse count
WriteRegData (0xf, 0x20); // CH1 Diode
WriteRegData (0,0x0f); //Enable WEN PEN AEN PON
Wait(12);  //Wait for 12 ms 
CH0_data = Read_Word(0x14); 
CH1_data = Read_Word(0x16); 
Prox_data = Read_Word(0x18); 
 
WriteRegData(uint8 reg, uint8 data) 
{ 
    m_I2CBus.WriteI2C(0x39, 0x80 | reg, 1, &data); 
} 
uint16 Read_Word(uint8 reg)
{ 
    uint8 barr[2]; 
    m_I2CBus.ReadI2C(0x39, 0xA0 | reg, 2, ref barr); 
    return (uint16)(barr[0] + 256 * barr[1]); 
}

根据手册提供的软件操作流程,我们首先有7次向寄存器写入数据的操作,按照时序

I2C写操作

向regaddr地址寄存器中写入数据regdata,程序实现如下

4'd0:   begin state <= START; end   //I2C通信时序中的START
4'd1:   begin data_wr <= dev_addr<<1; state <= WRITE; end  //设备地址
4'd2:   begin data_wr <= reg_addr; state <= WRITE; end  //寄存器地址
4'd3:   begin data_wr <= reg_data; state <= WRITE; end  //写入数据
4'd4:   begin state <= STOP; end    //I2C通信时序中的STOP

7次向寄存器写入数据的操作需要7段上面的代码,罗列起来程序不易读,干脆我们将1次写操作做成状态机的一个状态,这样7次向寄存器写入数据的操作只需要在这个状态上循环执行7次就好了,单词写操作状态程序实现如下:

MODE1:begin //单次写操作
        if(cnt_mode1 >= 4'd5) cnt_mode1 <= 1'b0;    //对START中的子状态执行控制cnt_start
        else cnt_mode1 <= cnt_mode1 + 1'b1;
        state_back <= MODE1;
        case(cnt_mode1)
            4'd0:   begin state <= START; end   //I2C通信时序中的START
            4'd1:   begin data_wr <= dev_addr<<1; state <= WRITE; end   //设备地址
            4'd2:   begin data_wr <= reg_addr; state <= WRITE; end  //寄存器地址
            4'd3:   begin data_wr <= reg_data; state <= WRITE; end  //写入数据
            4'd4:   begin state <= STOP; end    //I2C通信时序中的STOP
            4'd5:   begin state <= MAIN; end    //返回MAIN
            default: state <= IDLE; //如果程序失控,进入IDLE自复位状态
        endcase
    end

同理两字节数据连读的操作也做成一个状态

I2C读字操作

程序实现如下:

MODE2:begin //两次读操作
        if(cnt_mode2 >= 4'd10) cnt_mode2 <= 1'b0;   //对START中的子状态执行控制cnt_start
        else cnt_mode2 <= cnt_mode2 + 1'b1;
        state_back <= MODE2;
        case(cnt_mode2)
            4'd0:   begin state <= START; end   //I2C通信时序中的START
            4'd1:   begin data_wr <= dev_addr<<1; state <= WRITE; end   //设备地址
            4'd2:   begin data_wr <= reg_addr; state <= WRITE; end  //寄存器地址
            4'd3:   begin state <= START; end   //I2C通信时序中的START
            4'd4:   begin data_wr <= (dev_addr<<1)|8'h01; state <= WRITE; end//设备地址
            4'd5:   begin ack <= ACK; state <= READ; end    //读寄存器数据
            4'd6:   begin dat_l <= data_r; end
            4'd7:   begin ack <= NACK; state <= READ; end   //读寄存器数据
            4'd8:   begin dat_h <= data_r; end
            4'd9:   begin state <= STOP; end    //I2C通信时序中的STOP
            4'd10:  begin state <= MAIN; end    //返回MAIN
            default: state <= IDLE; //如果程序失控,进入IDLE自复位状态
        endcase
    end

因为用到延时,也设计成一个状态,程序实现如下:

DELAY:begin //延时模块
        if(cnt_delay >= num_delay) begin
            cnt_delay <= 1'b0;
            state <= MAIN; 
        end else cnt_delay <= cnt_delay + 1'b1;
    end

最后我们编程控制状态机按照驱动例程代码中流程运行,程序实现如下:

4'd0: begin dev_addr<=7'h39;reg_addr<=8'h80|8'h00;reg_data<=8'h00;state<=MODE1; end 
4'd1: begin dev_addr<=7'h39;reg_addr<=8'h80|8'h01;reg_data<=8'hff;state<=MODE1; end 
4'd2: begin dev_addr<=7'h39;reg_addr<=8'h80|8'h02;reg_data<=8'hff;state<=MODE1; end 
4'd3: begin dev_addr<=7'h39;reg_addr<=8'h80|8'h03;reg_data<=8'hff;state<=MODE1; end 
4'd4: begin dev_addr<=7'h39;reg_addr<=8'h80|8'h0e;reg_data<=8'h01;state<=MODE1; end 
4'd5: begin dev_addr<=7'h39;reg_addr<=8'h80|8'h0f;reg_data<=8'h20;state<=MODE1; end 
4'd6: begin dev_addr<=7'h39;reg_addr<=8'h80|8'h00;reg_data<=8'h0f;state<=MODE1; end 
4'd7:   begin state <= DELAY; dat_valid <= 1'b0; end    //12ms延时
4'd8:   begin dev_addr <= 7'h39; reg_addr <= 8'ha0|8'h14;  state <= MODE2; end 
4'd9:   begin ch0_dat <= {dat_h,dat_l}; end //读取数据
4'd10:  begin dev_addr <= 7'h39; reg_addr <= 8'ha0|8'h16;  state <= MODE2; end 
4'd11:  begin ch1_dat <= {dat_h,dat_l}; end //读取数据
4'd12:  begin dev_addr <= 7'h39; reg_addr <= 8'ha0|8'h18;  state <= MODE2; end  
4'd13:  begin prox_dat <= {dat_h,dat_l}; end    //读取数据
4'd14:  begin dat_valid <= 1'b1; end    //读取数据

系统总体实现

程序中我们做了一个简单的滤波处理,为了保证数据的有效,将瞬间变化太大的采样数据舍弃,程序实现如下:

reg [15:0] prox_dat0,prox_dat1,prox_dat2;
always @(posedge dat_valid) begin
    prox_dat0 <= prox_dat;
    prox_dat1 <= prox_dat0;
if(((prox_dat1-prox_dat0) >= 16'h200)||((prox_dat1-prox_dat0) >= 16'h200)) 
prox_dat2 <= prox_dat2;
    else prox_dat2 <= prox_dat0;
end

我们从传感器读取的距离信息为16位数据,有效范围Full Scale ADC Counts为0~1023,对应0到16‘h3ff,可以设置一个阈值,当采样回来的数据与阈值比较控制手机屏幕的显示与否,本实验要求用能量条的方式显示距离的远近,我们设计一个编码器将0到16‘h3ff的范围控制8个led灯的控制,程序实现如下:

always@(prox_dat2[9:7])
    case (prox_dat2[9:7])
        3'b000: Y_out = 8'b11111110;
        3'b001: Y_out = 8'b11111100;
        3'b010: Y_out = 8'b11111000;
        3'b011: Y_out = 8'b11110000;
        3'b100: Y_out = 8'b11100000;
        3'b101: Y_out = 8'b11000000;
        3'b110: Y_out = 8'b10000000;
        3'b111: Y_out = 8'b00000000;
        default:Y_out = 8'b11111111;
    endcase

在顶层设计中例化两个模块,将信号连接,程序实现如下:

wire dat_valid;
wire [15:0] ch0_dat, ch1_dat, prox_dat;
APDS_9901_Driver u1(
.clk            (clk            ),  //系统时钟
.rst_n          (rst_n          ),  //系统复位,低有效
.i2c_scl        (i2c_scl        ),  //I2C总线SCL
.i2c_sda        (i2c_sda        ),  //I2C总线SDA
.dat_valid      (dat_valid      ),  //数据有效脉冲
.ch0_dat        (ch0_dat        ),  //ALS数据
.ch1_dat        (ch1_dat        ),  //IR数据
.prox_dat       (prox_dat       )   //Prox数据
);
 
Decoder u2(
.dat_valid      (dat_valid      ),
.prox_dat       (prox_dat       ),
.Y_out          (led            )
);

综合后的设计框图如下:

RTL设计框图

实验步骤

  1. 双击打开Quartus Prime工具软件;
  2. 新建工程:File → New Project Wizard(工程命名,工程目录选择,设备型号选择,EDA工具选择);
  3. 新建文件:File → New → Verilog HDL File,键入设计代码并保存;
  4. 设计综合:双击Tasks窗口页面下的Analysis & Synthesis对代码进行综合;
  5. 管脚约束:Assignments → Assignment Editor,根据项目需求分配管脚;
  6. 设计编译:双击Tasks窗口页面下的Compile Design对设计进行整体编译并生成配置文件;
  7. 程序烧录:点击Tools → Programmer打开配置工具,Program进行下载;
  8. 观察设计运行结果。

实验现象

将设计加载到FPGA,手指在接近光传感器上下移动,观察核心板上8个LED灯的状态,APDS-9901还是环境光传感器,有兴趣的同学可以尝试一下其他应用。

实验现象示意